產品類型: 片式半導體
產品型號: GK1B
聲明: 柯力傳感保留更改產品設計、規格、參數的權利及資料信息的最終 解釋權。欲了解更多關于柯力產品的信息,請致電柯力公司,索取更多詳 細的技術資料。

產品概述:
GK1B-VOC型空氣質量(異味)傳感器具有靈敏度高、成本低、壽命長、功耗低等優點,是一款廣譜氣體傳感器,對許多微量的還原氣體 (或微毒性氣體分子 ) 有較高的靈敏度,這些氣體分子類型包括,氨氣、氫氣、酒精、一氧化碳、甲烷、丙烷、甘烷、苯乙烯、丙二醇、酚、甲苯、乙苯、二甲苯、甲醛等有機揮發氣體、香煙、木材、紙張燃燒煙霧、油煙等。
GK1B-VOC型空氣質量(異味)傳感器屬于金屬氧化物平面半導體型傳感器,由納米級SnO 2粉體及適量催化劑摻雜燒結而成。當空氣中出現微量還原性污染氣體時,傳感器的電導會升高。電導的變化量隨污染氣體的濃度增大而增大。通過電導變化量的大小,傳感器可以感知空氣受污染程度。例如當室內出現二手煙氣或化妝品揮發的分子時,傳感器就能產生電導變化。利用傳感器的這種敏感特性,再通過簡單的單片機控制,就能實現智能啟動排風通風設備,從而達到智能凈化室內空氣的效果。
GK1B-VOC型空氣質量(異味)傳感器具有非常廣泛的應用場合,例如家庭、醫院、飯 /酒店、會議室、會客室、旅館、汽/火車站候車大廳、棋牌室、會所等。這些場合會經常出現甲醛、二手煙、酒氣等空氣污染物,在這種情況下智能空氣凈化系統就能自動啟動。還可以廣泛適用于物聯網,用于感應物聯網內某空間的空氣質量狀態,并實現物聯網范圍內的空氣質量監控。
特點:
l 低功耗
l 壽命長
l 成本低
l 體積小
l 對低濃度污染氣體靈敏度高
l 應用電路簡單
l 高一致性
主要應用:
l 空氣質量測試儀及模組
l 室內排氣扇換氣扇控制模塊
l 空氣質量(異味)監測模塊及智能
照明燈用異味檢測模塊
l 空氣凈化器、等離子凈化器自動控制模塊
規格:
型號 | GK1B | ||||
封裝標準 | 金屬TO-05 | ||||
檢測氣體 | 氫氣、酒精、煙等 | ||||
檢測范圍 | 0-200PPM(酒精)0-10PPM(甲醛) 0-10000PPM(天然氣)0-4000PPM(氫氣) | ||||
標準回路 | 加熱電壓 | VH | 5.0±0.2V DC/AC | ||
標準測試條件下元件特征 | 回路電壓 | VC | 5.0±0.2V DC | Ps≦15mW | |
負載電阻 | RL | 可調 | Ps≦15mW | ||
加熱片電阻 | RH | 85Ω±10Ω(室溫) | |||
加熱片電流 | IH | 55mA±5mA | |||
加熱片功耗 | PH | 260mW±10mW | |||
靈敏度變化 | >0.5V | 10PPM(乙醇) | |||
標準測試條件下 | 溫度、濕度 | 20±2℃,65±5%RH | |||
預熱時間 | 不少于24小時 | ||||
響應時間 | ≦30s | ||||
脫附時間 | ≦60s | ||||
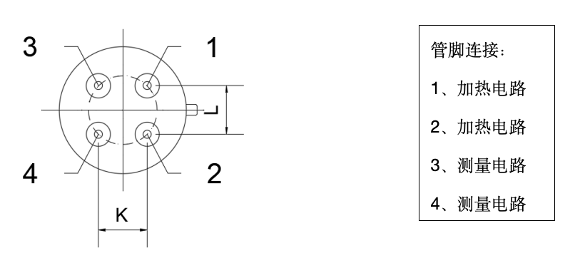
管腳定義:
平面型器件結構如圖 所示。在陶瓷片上穩固加熱絲,兩端連接金電極引線,并在兩電極之間涂覆半導體敏感材料。加熱材料可以將整個陶瓷片加熱至 200-400℃,使傳感器達到所需的工作溫度。管芯外側的對電極則能實時地測量材料的電特性變化情況。傳感器的焊接引線對應圖如圖 所示,引線座上有一突出記號點,緊鄰該標志的 1、2引線腳為加熱絲引腳,3、4引腳為傳感器信號引腳。

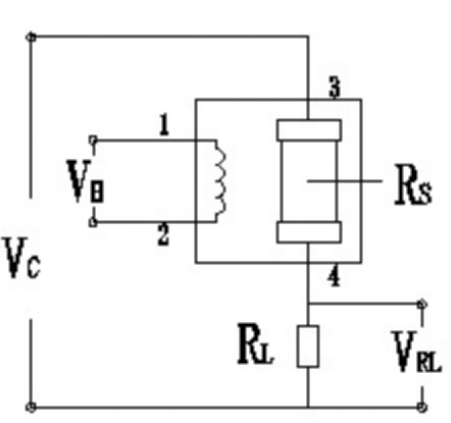
基本電路:
傳感器 1、2 管腳連接加熱電路,3、4 管腳連接測量電路;在滿足傳感器電性能要求的 前提下,加熱和測量可共用同一個電源電路。 注:請注意傳感器上的突出標志,緊鄰該標志的兩只管腳為加熱電極。

結構圖:


注意事項:
1 必須避免的情況
1.1 暴露于有機硅蒸氣中
如果傳感器的表面吸附了有機硅蒸氣,傳感器的敏感材料會被包裹住,抑制傳感器的敏感性,并且不可恢復。傳感器要避免暴露其在硅粘接劑、發膠、硅橡膠、膩子或其它含硅塑料添加劑可能存在的地方。
1.2 高腐蝕性的環境
傳感器暴露在高濃度的腐蝕性氣體(如H2S,SOX,Cl2,HCl等)中,不僅會引起加熱材料及傳感器引線的腐蝕或破壞,并會引起敏感材料性能發生不可逆的改變。
1.3 堿、堿金屬鹽、鹵素的污染
傳感器被堿金屬尤其是鹽水噴霧污染后,及暴露在鹵素如氟中也會引起性能劣變。
1.4 接觸到水
濺上水或浸到水中會造成敏感特性下降。
1.5 結冰
水在敏感元件表面結冰會導致敏感材料碎裂而喪失敏感特性。
1.6 施加電壓過高
如果給敏感元件或加熱器施加的電壓高于規定值,即使傳感器沒有受到物理損壞或破
壞,也會造成引線和/或加熱器損壞,并引起傳感器敏感特性下降。
2 盡可能避免的情況
2.1 凝結水
在室內使用條件下,輕微凝結水會對傳感器性能會產生輕微影響。但是,如果水凝結在敏感元件表面并保持一段時間,傳感器特性則會下降。
2.2 處于高濃度氣體中
無論傳感器是否通電,在高濃度氣體中長期放置,都會影響傳感器特性。
2.3 長期貯存
傳感器在不通電情況下長時間貯存,其電阻會產生可逆性漂移,這種漂移與貯存環境有關。傳感器應貯存在有清潔空氣不含硅膠的密封袋中。經長期貯存的傳感器,在使用前需要長時間通電以使其達到穩定。
2.4 長期暴露在極端環境中
無論傳感器是否通電,長時間暴露在極端條件下,如高濕、高溫、或高污染等極端條件,傳感器性能將受到嚴重影響。
2.5振動
頻繁、過度振動會導致敏感元件引線產生共振而斷裂。在運輸途中及組裝線上使用氣動改錐/超聲波焊接機會產生這種振動。
2.6 沖擊
如果傳感器受到強烈沖擊會導致其引線斷線。
2.7 使用
對傳感器來說手工焊接是最理想的焊接方式。使用波峰焊是應滿足以下條件:
2.7.1 助焊劑:含氯最少的松香助焊劑
2.7.2 速度:1-2米/分鐘
2.7.3 預熱溫度:100±20℃
2.7.4 焊接溫度:250±10℃
2.7.5 1次通過波峰焊機
違反以上使用條件將使傳感器特性下降!