產品類型: 片式半導體
產品型號: GK2
聲明: 柯力傳感保留更改產品設計、規格、參數的權利及資料信息的最終 解釋權。欲了解更多關于柯力產品的信息,請致電柯力公司,索取更多詳 細的技術資料。
產品概述:
GK2 型一氧化碳檢測用平面半導體氣敏元件采用先進的平面厚膜生產 工藝,由加熱器以及微型 Al2O3陶瓷基片上形成的金屬氧化物半導體材料構 成,用電極引線引出,封裝在金屬管座、管帽內。采用高低溫循環檢測方式檢 測一氧化碳(1.5V),高溫(5.0V)時清洗低溫時吸附的雜質氣體。傳感器 的電導率隨空氣中一氧化碳氣體濃度增加而增大,使用簡單的電路即可將電 導率的變化轉換為與該氣體濃度相對應的輸出信號。
特點:
? 低功耗
? 壽命長
? 成本低
? 體積小
? 應用電路簡單
主要應用:
? 家用一氧化碳泄漏檢測
? 工業一氧化碳報警器
? 便攜式一氧化碳檢測
規格:

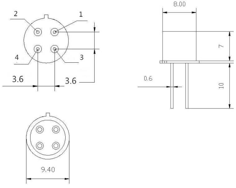
管腳定義:
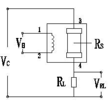
平面型器件結構如圖 所示。在陶瓷片上穩固加熱絲,兩端 連接金電極引線,并在兩電極之間涂覆半導體敏感材料。加熱 材料可以將整個陶瓷片加熱至 200-400℃,使傳感器達到所需 的工作溫度。管芯外側的對電極則能實時地測量材料的電特性 變化情況。傳感器的焊接引線對應圖如圖 所示,引線座上有一 突出記號點,緊鄰該標志的 1、2 引線腳為加熱絲引腳,3、4 引腳為傳感器信號引腳。

基本電路:
傳感器 1、2 管腳連接加熱電路,3、4 管 腳連接測量電路;在滿足傳感器電性能要求的 前提下,加熱和測量可共用同一個電源電路。 注:請注意傳感器上的突出標志,緊鄰該標志的 兩只管腳為加熱電極。

結構圖:

1 必須避免的情況
1.1 暴露于有機硅蒸氣中 如果傳感器的表面吸附了有機硅蒸氣,傳感器的敏感材料會被包裹住,抑制傳感器的敏 感性,并且不可恢復。傳感器要避免暴露其在硅粘接劑、發膠、硅橡膠、膩子或其它含硅塑 料添加劑可能存在 的地方。
1.2 高腐蝕性的環境 傳感器暴露在高濃度的腐蝕性氣體(如 H2S,SOX,Cl2,HCl 等)中,不僅會引起加熱材 料及傳感器引線的腐蝕或破壞,并會引起敏感材料性能發生不可逆的改變。
1.3 堿、堿金屬鹽、鹵素的污染 傳感器被堿金屬尤其是鹽水噴霧污染后,及暴露在鹵素如氟中也會引起性能劣變。
1.4 接觸到水 濺上水或浸到水中會造成敏感特性下降。
1.5 結冰 水在敏感元件表面結冰會導致敏感材料碎裂而喪失敏感特性。
1.6 施加電壓過高 如果給敏感元件或加熱器施加的電壓高于規定值,即使傳感器沒有受到物理損壞或破 壞,也會造成引線和/或加熱器損壞,并引起傳感器敏感特性下降。
2 盡可能避免的情況
2.1 凝結水 在室內使用條件下,輕微凝結水會對傳感器性能會產生輕微影響。但是,如果水凝結在 敏感元件表面并保持一段時間,傳感器特性則會下降。
2.2 處于高濃度氣體中 無論傳感器是否通電,在高濃度氣體中長期放置,都會影響傳感器特性。
2.3 長期貯存 傳感器在不通電情況下長時間貯存,其電阻會產生可逆性漂移,這種漂移與貯存環境有 關。傳感器應貯存在有清潔空氣不含硅膠的密封袋中。經長期貯存的傳感器,在使用前需要 長時間通電以使其達到穩定。
2.4 長期暴露在極端環境中 6河南森斯科傳感技術有限公司 7 無論傳感器是否通電,長時間暴露在極端條件下,如高濕、高溫、或高污染等極端條件, 傳感器性能將受到嚴重影響。
2.5 振動 頻繁、過度振動會導致敏感元件引線產生共振而斷裂。在運輸途中及組裝線上使用氣動 改錐/超 聲波焊接機會產生這種振動。
2.6 沖擊 如果傳感器受到強烈沖擊會導致其引線斷線。
2.7 使用 對傳感器來說手工焊接是最理想的焊接方式。使用波峰焊是應滿足以下條件:
2.7.1 助焊劑:含氯最少的松香助焊劑
2.7.2 速度:1-2 米/分鐘
2.7.3 預熱溫度:100±20℃
2.7.4 焊接溫度:250±10℃ 2.7.5 1 次通過波峰焊機 違反以上使用條件將使傳感器特性下降!