產品類型: 片式半導體
產品型號: GK4
聲明: 柯力傳感保留更改產品設計、規格、參數的權利及資料信息的最終 解釋權。欲了解更多關于柯力產品的信息,請致電柯力公司,索取更多詳 細的技術資料。
產品概述:
GK4型氣體傳感器是甲烷氣體傳感器。采用多層厚膜制造工藝,在微型陶瓷基片上的兩面分別形成加熱器和金屬氧化物半導體氣敏層,用電極引線引出,經TO-5金屬外殼封裝而成。當環境空氣中有被檢測氣體存在時傳感器電導率發生變化,該氣體的濃度越高,傳感器的電導率就越高。采用簡單的電路即可將這種電導率的變化轉換為與氣體濃度對應的輸出信號。
特點:
l 低功耗 抗酒精 抗煙
l 穩定好、壽命長
l 成本低
l 體積小
l 應用電路簡單
主要應用:
● 用于家庭、工廠、商業用所的可燃氣體泄漏監測
裝置,防火/安全探測系統。
● 可燃氣體泄漏報警器,氣體檢漏儀。
規格:
產品型號 | GK4 | ||
產品類型 | 平面半導體氣敏元件 | ||
標準封裝 | TO-5 | ||
檢測氣體 | 甲烷、天燃氣 | ||
檢測濃度 | 300-10000ppm(甲烷、天燃氣) | ||
標準 電路 條件 | 回路電壓 | VC | ≤24V DC |
加熱電壓 | VH | 5.0V±0.1V ACorDC | |
負載電阻 | RL | 可調 | |
標準 測試 條件 下氣 敏元 件特 性 | 加熱電阻 | RH | 55Ω±10Ω(室溫) |
加熱功耗 | PH | ≤320mW | |
敏感體 電 阻 | RS | 1KΩ-20KΩ(in 5000ppm 甲烷) | |
靈敏度 | S | Rs(in air)/Rs(5000ppm甲烷)≥5 | |
濃度斜率 | α | ≤0.8(R5000ppm/R3000ppm甲烷) | |
標準測試條件 | 溫度、濕度 | 20℃±2℃;65%±5%RH | |
標準測試電路 | Vc:5.0V±0.1V; VH: 5.0V±0.1V | ||
預熱時間 | 不少于48小時 | ||
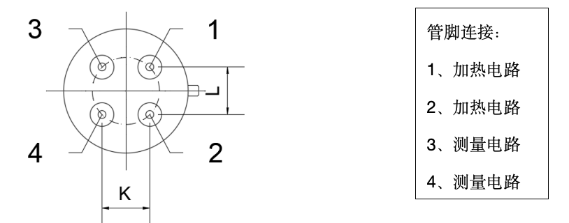
管腳定義:
平面型器件結構如圖 所示。在陶瓷片上穩固加熱絲,兩端連接金電極引線,并在兩電極之間涂覆半導體敏感材料。加熱材料可以將整個陶瓷片加熱至 200-400℃,使傳感器達到所需的工作溫度。管芯外側的對電極則能實時地測量材料的電特性變化情況。傳感器的焊接引線對應圖如圖 所示,引線座上有一突出記號點,緊鄰該標志的 1、2引線腳為加熱絲引腳,3、4引腳為傳感器信號引腳。

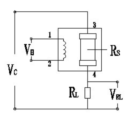
基本測試電路:
傳感器 1、2 管腳連接加熱電路,3、4 管腳連接測量電路;在滿足傳感器電性能要求的 前提下,加熱和測量可共用同一個電源電路。 注:請注意傳感器上的突出標志,緊鄰該標志的兩只管腳為加熱電極。

結構圖:


注意事項:
1 必須避免的情況
1.1 暴露于有機硅蒸氣中
如果傳感器的表面吸附了有機硅蒸氣,傳感器的敏感材料會被包裹住,抑制傳感器的敏感性,并且不可恢復。傳感器要避免暴露其在硅粘接劑、發膠、硅橡膠、膩子或其它含硅塑料添加劑可能存在的地方。
1.2 高腐蝕性的環境
傳感器暴露在高濃度的腐蝕性氣體(如H2S,SOX,Cl2,HCl等)中,不僅會引起加熱材料及傳感器引線的腐蝕或破壞,并會引起敏感材料性能發生不可逆的改變。
1.3 堿、堿金屬鹽、鹵素的污染
傳感器被堿金屬尤其是鹽水噴霧污染后,及暴露在鹵素如氟中也會引起性能劣變。
1.4 接觸到水
濺上水或浸到水中會造成敏感特性下降。
1.5 結冰
水在敏感元件表面結冰會導致敏感材料碎裂而喪失敏感特性。
1.6 施加電壓過高
如果給敏感元件或加熱器施加的電壓高于規定值,即使傳感器沒有受到物理損壞或破壞,也會造成引線和/或加熱器損壞,并引起傳感器敏感特性下降。
2 盡可能避免的情況
2.1 凝結水
在室內使用條件下,輕微凝結水會對傳感器性能會產生輕微影響。但是,如果水凝結在敏感元件表面并保持一段時間,傳感器特性則會下降。
2.2 處于高濃度氣體中
無論傳感器是否通電,在高濃度氣體中長期放置,都會影響傳感器特性。
2.3 長期貯存
傳感器在不通電情況下長時間貯存,其電阻會產生可逆性漂移,這種漂移與貯存環境有關。傳感器應貯存在有清潔空氣不含硅膠的密封袋中。經長期不通電貯存的傳感器,在使用前需要長時間通電以使其達到穩定。
2.4 長期暴露在極端環境中
無論傳感器是否通電,長時間暴露在極端條件下,如高濕、高溫、或高污染等極端條件,傳感器性能將受到嚴重影響。
2.5振動
頻繁、過度振動會導致敏感元件引線產生共振而斷裂。在運輸途中及組裝線上使用氣動改錐/超聲波焊接機會產生這種振動。
2.6 沖擊
如果傳感器受到強烈沖擊會導致其引線斷線。
2.7 使用
對傳感器來說手工焊接是最理想的焊接方式。使用波峰焊是應滿足以下條件:
2.7.1 助焊劑:含氯最少的松香助焊劑
2.7.2 速度:1-2米/分鐘
2.7.3 預熱溫度:100±20℃
2.7.4 焊接溫度:250±10℃
2.7.5 1次通過波峰焊機
違反以上使用條件將使傳感器特性下降!