產品類型: 民用電化學氣體傳感器
產品型號: GM3
聲明: 柯力傳感保留更改產品設計、規格、參數的權利及資料信息的最終 解釋權。欲了解更多關于柯力產品的信息,請致電柯力公司,索取更多詳 細的技術資料。

本公司生產的電化學式甲醛氣體傳感器是真正能夠連續監測的傳感器,而不需要任何的氣體采樣或者采用氣泵抽取。適合于絕大多數的環境(-20℃~+50℃)監測使用(如有特殊介紹,可應用于更高的溫度中)。這款傳感器有五大設計結構特點:
1、低成本
設計構造簡單以及很少的部件使得其成本得到降低,從而形成更有競爭力的價格。
2、長壽命
它使用的是在世界范圍內已經有30多年使用經驗的呼吸酒精傳感器的元件結合工業電化學毒氣傳感器原理設計而成。而呼吸酒精傳感器的精度,穩定性和長久性都是已經得到了驗證。同時采用工業電化學毒氣傳感器的設計使傳感器更能適應各種極端條件如高溫高濕及低溫低濕環境。
3、響應快速
一條短小且低阻抗的擴散路徑使其響應時間很少。
4、電源要求低
燃料電池原理意味著它并不需要電源激勵,僅僅在信號的處理和顯示時需要電能,所以僅僅一個簡單的小電池單元即可。
5、穩定性
非常好的穩定性,允許在使用過程中非常長的校準周期。
規格:
測量氣體 | 甲醛CH2O |
量程 | 0~5ppm |
過載能力 | 10ppm |
過濾膜 | 玻璃纖維 |
檢測壽命 | 3年(在無腐蝕性氣體中) |
輸出信號 | 600~1500nA/ppm |
溫度范圍 | -20~50℃ |
壓力范圍 | 標準大氣壓±10% |
分辨率 | 0.01ppm |
響應時間(T90) | <30s |
長期輸出漂移 | 每年<10% |
重復性 | ≤±2% |
輸出線性 | 線性 |
溫度漂移 | 0.35%/℃ |
重量 | 5g |
尺寸 | 見尺寸圖 |
產品結構圖:

工作原理
傳感器內部包含一個常規的兩電極燃料電池傳感器。工作電極通過外電路將電子釋放到計數電極,并且在計數電極端隨著氧的減少而消耗,內電路由電解液中的離子流來實現。設計精良,便于電解液的消長。電解液的消長隨環境溫度和濕度的變化而變化,但是仍可正常工作不會影響到校準值。
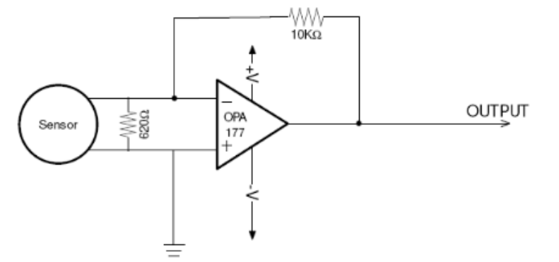
傳感器電路
甲醛傳感器輸出的電流值于空氣中從0到高濃度的甲醛濃度呈線性關系。
輸出信號需要根據精確度要求進行放大和溫度補償。
信號放大
輸出信號放大的首選方法是使用一個直接的電流到電壓放大的運算放大器。這樣的話傳感器將工作在其最好的模式下。得到的信號值取決于反饋電阻的大小;比方說使用1000歐姆的電阻值,那么一個輸出為5nA的信號將會轉化為5mV的輸出信號。
因為在開路狀態傳感器可能會逐漸引起偏移,雖然不會對產品有損傷,但是也要花費時間去放電。所以在儲藏期間一般將輸出端子進行短路處理,這樣就不會出現明顯的長期的偏移量。
在使用過程中,為了避免在放大器被斷開的時候偏移量的增加,可以在兩端子之間連接一個低阻值的電阻(典型值為620歐姆)。另外,也可將放大器持續供電。
下面給出典型的應用電路:

在高精度測量中反饋電阻應為470K,同時并聯一個4.7μF的鉭電容在沒有反向響應時間的情況下降噪。
注意:
該電路使用的是雙路電源,這樣能得到最佳效果。在這個電路(以及類似的電路)里面,運算放大器我們推薦使用Burr-Brown的OPA177。另外,也可以選用低功率而且噪聲非常微小的OPA241。這兩種型號的器件本身的漂移量都很小,靈敏度又非常高,而且很容易加入到偏移整頓電路中去消除剩余的漂移量。
我們已經完成了使用類似OP90這種專用的運算放大器的單路供電電路的研究,并不推薦使用。如果采用3V供電的話,我們推薦使用諸如ICL7660這樣的IC產生的負電源。
溫度補償
本傳感器的溫度漂移率為0.35%每攝氏度(-20℃~50℃)。
如果需要的測量精度很高,那么就需要給電路中加入溫度補償的部分。一般來說,在簡單電路里面,我們可以通過在運算放大器的反饋回路中適當的加入一個熱敏電阻來實現(該熱敏電阻可以通過與其他的電阻的串并聯進行修正)。如果使用微處理器電路的話,在軟件的控制下,熱敏電阻補償會更加精確。
溫度依賴性有兩個部分:
1.氣體的擴散率隨溫度的增長而增長。
2.低溫下,電解質的功效將會明顯削弱,這將成為決定比率的因素。
線性
甲醛傳感器的線性至少為10ppm 。
靈敏度
靈敏度取決于傳感器表面的通路孔徑的大小;孔徑越大,擴散到傳感器中的氣體就越多,信號也就越強。標準的(最小實際孔徑)單一中心孔徑的直徑為1mm,也可以根據客戶的需求進行訂制。選擇孔徑要考慮到能夠產生合適的信噪比,但是也要避免氣體樣品過量,否則會導致輸出非線性,反應遲緩以及氣體清洗不干凈等問題出現。
交叉干擾特性
氣體 | 濃度/PPM | HCHO等同濃度/PPM |
甲醛 | 5 | 5 |
苯 | 10 | 0.1 |
甲苯 | 10 | 0.46 |
乙酸 | 200 | 0.52 |
酒精 | 100 | 40.6 |
硫化氫 | 50 | 3 |
一氧化碳 | 200 | 0.64 |
注意事項
1.安裝2.54mm接插針焊接時應快速完成上錫焊接,避免烙鐵長時間高溫對傳感器結構造成破壞;
2.使用前老化時間不少于 12小時;
3.電解液泄漏會造成損害,請勿隨意拆解傳感器;
4.傳感器避免接觸有機溶劑(包括硅橡膠及其它膠粘劑)、涂料、藥劑、油類及高濃度氣體;
5.所有電化學傳感器不可用樹脂材料完全封裝,也不可浸沒在無氧環境中,否則會損壞傳感器的性能;
6.所有電化學傳感器不能長時間應用于含有腐蝕性氣體的環境中,腐蝕性氣體會損害傳感器;
7.氣體零點測定時,須在潔凈的大氣中進行;
8.傳感器測試和應用時,須避免正面垂直進氣;
9.傳感器的進氣面不得阻塞、不得污染;
10.傳感器上方防水透氣膜嚴禁揭開、人為損壞;
11.傳感器不可過度的撞擊或震動;
12.外殼有破損、變形等情況下請不要使用;
13.高濃度的氣體環境中長時間使用后,傳感器恢復到初期狀態較緩慢;
14.傳感器貯存時工作電極與對電極應處于短路狀態;
15.禁止用熱熔膠或者固化溫度高于 80℃以上的密封膠封裝傳感器;
16.禁止長時間在高濃度堿性氣體中存放和使用。