產品類型: 民用電化學氣體傳感器
產品型號: GM4
聲明: 柯力傳感保留更改產品設計、規格、參數的權利及資料信息的最終 解釋權。欲了解更多關于柯力產品的信息,請致電柯力公司,索取更多詳 細的技術資料。

GM4電化學一氧化碳氣體傳感器是燃料
電池型傳感器,一氧化碳和氧氣在工作電極和
對電極上發生相應的氧化還原反應并釋放電荷
形成電流,產生的電流大小與一氧化碳濃度成
正比,通過測定電流的大小即可判定一氧化碳
的濃度。
GM4電化學一氧化碳傳感器特點:
1. 對一氧化碳有高靈敏度與高選擇性
2. 對一氧化碳響應極快
3. 線性輸出
4. 長壽命
5. 環保結構設計
6. 獨特的防泄漏結構
GM4電化學一氧化碳傳感器應用:
● 家用、商用一氧化碳監測
● 工業應用一氧化碳監測
● 室內停車場一氧化碳監測
● 游艇、房車等一氧化碳監測
● 發電機一氧化碳監測
● 智能家居一氧化碳監測
項目 | 參數 |
對象氣體 | 一氧化碳 |
檢測范圍 | 0~1000ppm |
極限過載 | 2000ppm |
輸出信號 | 1.4~3nA/ppm |
重復性 | ±2% |
分辨率 | 0.5ppm |
典型響應時間(t90) | <60秒 |
長期輸出飄移 | <2%月 |
預期壽命 | 7年 |
工作溫度 | -20~50℃ |
工作濕度 | 15~90%RH |
工作壓力范圍 | 0.1MPa±10% |
建議的負載電阻 | 1KΩ |
偏置電壓 | 無要求 |
(*)性能參數前提條件:20? C,50%RH,1013hPa。
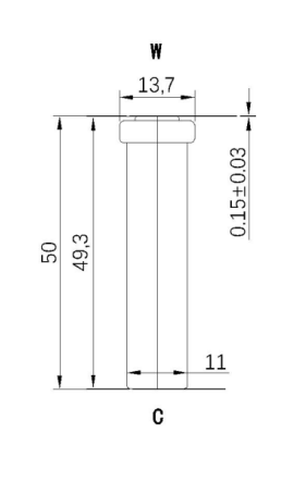
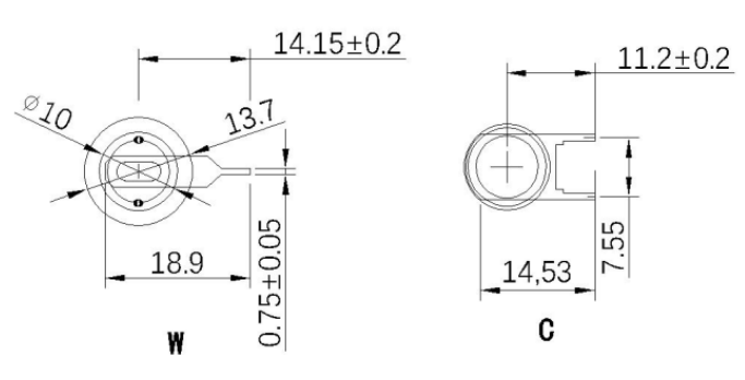
3. 結構尺寸圖


單位:mm,尺寸公差±
4. 產品特性
4.1 靈敏度特性
GM4(25°C)典型特性(線性輸出)如下圖

4.2 溫度依賴特性
GM4的典型特性(溫度依賴)如下圖

4.3 穩定性特性

4.4 交叉敏感特性數據
傳感器對各種干擾氣體的典型響應/(25?C)的交叉敏感特性
氣體 | 濃度(ppm) | 一氧化碳當量濃度(ppm) |
乙醇 | 10 | 0 |
硫化氫 | 100 | 0 |
乙烯 | 100 | 80 |
氫氣 | 500 | 40 |
環氧乙烷 | 10 | 0 |
二氧化氮 | 10 | 0 |
氨 | 20 | 0 |
氯氣 | 10 | 1 |
1.安裝時可焊接引線,禁止焊錫接觸傳感器;
2.通電老化時間不少于 30min;
3.避免長期接觸有機揮發性溶劑;
4.使用或儲存環境不可為酸堿環境。